Mitchell Software Online – Automotive Repair Information System (2025)
Mitchell Software Online is a fully web-based repair information platform that allows technicians, garages, and automotive students to quickly access repair data without installing heavy software.
Online Access – No Installation Required
- Works directly on the browser.
- Does not consume computer storage.
- Compatible with Windows 10 and 11 (Windows 7 works but not recommended).

Key Features Mitchell Software Online
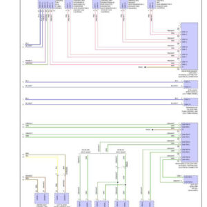
- Complete Repair Information
- Technical specifications
- Wiring diagrams
- Step-by-step removal and installation procedures
- Diagnostic guides and troubleshooting steps
- OBD2 fault code information
- Online Technical Community
- A built-in forum for technicians to exchange repair cases
- Real-time discussion and support for troubleshooting



Supported Vehicle Brands
Covers most global vehicle manufacturers, including but not limited to:
Alfa Romeo, Alpine, Asia, Audi, Austin, Autobianchi, Bedford, BMW, Bogdan, Cadillac, Carbodies, Chevrolet, Chrysler, Citroen, Cupra, Dacia, Daewoo, DAF, Daihatsu, Daimler, Datsun (14-), DFSK, Dodge, DS, Fiat, Ford, FSO, Galloper, Great Wall Motors, Honda, Hyundai, Infiniti, Innocenti, Isuzu, Iveco, Jaguar, Jeep, Kia, Lada, Lancia, Land Rover, LDV, Lexus, Lotus, Mahindra, MAN, Maruti, Maxus, Mazda, MCC/Smart, Mercedes-Benz, MG (-05), MG Motor (08-), MINI, Mitsubishi, Mitsubishi Fuso, Morris, Moskvich, Nissan, NSU, Opel/Vauxhall, Perodua, Peugeot, Piaggio, Porsche, Proton, Qoros, Renault, Rover, Saab, Santana, Sao, Seat, Skoda, Ssangyong, Subaru, Suzuki, Talbot (Hillman), Tata, Tesla, Tofas, Toyota, Trabant, Triumph, UAZ, VAZ, Volkswagen, Volvo, Wartburg, Zastava (Yugo), Zaz, Zetor.
Benefits of Using Mitchell Software Online
- Fast and accurate repair data lookup
- Saves time on every repair job
- Ideal for workshops, technicians, training centers, and automotive students
- Continuously updated with 2025 data

Toyota Techstream Software Version 18
Mercedes EPC software Electronic Parts Catalog 2025 



